logo 522 ANDM




522 ANDM







































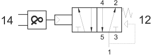
photo symbol       technical data
      previous page


pdf

 

 

 

 

AUTOCAD ver 14. DWG

JPG  

ACIS - SAT

STEP