logo

01.055.2



01.055.2


foto

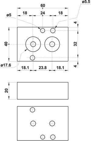
Questo adattatore deve essere montato sotto a una valvola Namur per sollevarla e consentire l'uso di una bobina da 30 mm.

      previous page


pdf