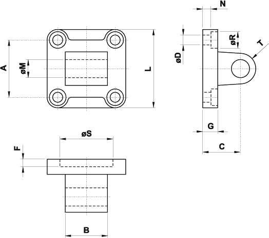
Cerniera maschio MP4

| part number standard | part number with bronze guiding | for bore | A | B | C | D | F | G | L | M | N | R | S | T |
| CMIS032 | CMKS032 | 32 | 32.5 | 26 | 22 | 6.6 | 5 | 9 | 45 | 10 | 5.5 | 11 | 30 | 10 |
| CMIS040 | CMKS040 | 40 | 38 | 28 | 25 | 6.6 | 5 | 9 | 52 | 12 | 5.5 | 11 | 35 | 12 |
| CMIS050 | CMKS050 | 50 | 46.5 | 32 | 27 | 9 | 5 | 11 | 65 | 12 | 6.5 | 15 | 40 | 12 |
| CMIS063 | CMKS063 | 63 | 56.5 | 40 | 32 | 9 | 5 | 11 | 75 | 16 | 6.5 | 15 | 45 | 16 |
| CMIS080 | CMKS080 | 80 | 72 | 50 | 36 | 11 | 5 | 14 | 95 | 16 | 10 | 18 | 45 | 16 |
| CMIS100 | CMKS100 | 100 | 89 | 60 | 41 | 11 | 5 | 14 | 115 | 20 | 10 | 18 | 55 | 20 |
| CMIS125 | CMKS125 | 125 | 110 | 70 | 50 | 14 | 7 | 20 | 140 | 25 | 10 | 20 | 60 | 25 |
| CMIS160 | CMKS160 | 160 | 140 | 90 | 55 | 18 | 7 | 20 | 180 | 30 | 10 | 26 | 65 | 25 |
| CMIS200 | CMKS200 | 200 | 175 | 90 | 60 | 18 | 7 | 25 | 220 | 30 | 11 | 26 | 75 | 25 |