logo RPE 6N VNC


pdf


foto

RPE 6N VNC






Order code
RPE 6N VNC
normally closed
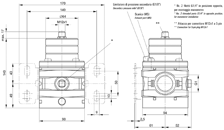
Ports
G1"
Temperature range
max +50°C
Weight
1.2 kg
Fluid
40µ filtered, lubricated or non lubricated air
Pneumatic characteristics
Inlet pressure range
(p1 >= p2 + 0.1 · p2)
p1 min
p1 max
0.5 bar; 0.05 MPa
16 bar; 1.6 MPa
Outlet pressure range
p2 min
p2 max
0.2 bar; 0.02 MPa
10 bar; 1 MPa
Maximum flow rate
(p1 = 10 bar; p2= 6.3 bar)
Qn
20000 Nl/min
Hysteresis
% p2 max
< 1
Repeatability
% p2 max
< 0.5
Sensitivity
% p2 max
< 0.5
Linearity
% p2 max
< 1
Electrical characteristics
Nominal voltage
Un
24V DC ±10%
Residual ripple
10%
Power consumption
0.15 A
Tension of set value input
Uw
0-10 V
Current intensity of set value input
Iw
0-20 mA
Input resistance
Re
243 kOHM
Tension of actual value output
Ux
0-10 V
Current intensity of actual value output
Ix max
10 mA
Electrical protection according to DIN 40050, EN 60529
IP 65

Materials
Flow characteristics


Flow characteristics


Connection diagram


Connection diagram

Pin 1:
Power supply +24V DC ±10% 0.15 A
Residual ripple 10%

Pin 2:
Power supply 0V
Power supply 0V, reference and mass capacity potential for set and actual value.

Pin 3:
Set value input. Voltage 0-10V.

Pin 4:
0V set signal
Connected on board with pin 2 as standard.

Pin 5:
Analog actual value output. Voltage from 0 to 10V. The voltage is measured with reference to the potential at pin 2. Tolerance ±0.15V.



Mounting bracket (code STF 6N), coupling kit (code KIT 6N-00) and manometer are bought separately.

previous page