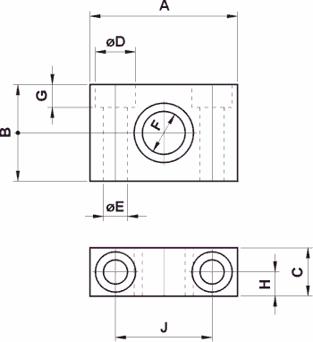
Snodo per cerniera intermedia 

| part number* | for bore | A | B | C | D | E | F | G | H | J |
| SNINT 032 B | 32 | 46 | 30 | 15 | 10.5 | 6.5 | ø12 | 6.5 | 7.5 | 32 |
| SNINT 040-050 B | 40-50 | 55 | 35 | 20 | 14 | 9 | ø16 | 8 | 10 | 36 |
| SNINT 063-080 B | 63-80 | 65 | 40 | 20 | 17 | 11 | ø20 | 12 | 10 | 42 |
| SNINT 100-125 B | 100-125 | 75 | 50 | 30 | 19 | 14 | ø25 | 10 | 15 | 50 |
| model |
AUTOCAD ver 14. DWG |
JPG |
ACIS - SAT |
STEP |
|
SNINT 032 B |
|
|
||
| SNINT 040-050 B |
|
|
||
| SNINT 063-080 B |
|
|
||
| SNINT 100-125 B |
|
|