logo AVP 2-00


pdf


foto symbol




AVP 2-00



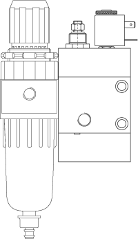
Example of modular installation

AVP 2-00



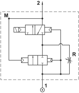
Valve operation

This slow-start valve is modular and can be installed together with air preparation units, series G1/4".
(a) When the pilot solenoid valve is energized, a progressively increasing pressure is applied to the circuit over a period of time set by screw (R).
(b) Once the half of the system pressure has been reached, the slow-start valve begins to automatically feed the circuit with the system pressure.
When the solenoid is de-energised the system pressure is exhausted without disconnecting system pressure at point 1.
It is possible to connect a manometer at point M.

The product is sold without coil, which is bought separately.



Order code
AVP 2-00
Ports
G1/4"
Temperature range
max +60°C
Working pressure
2 ... 10 bar
0.2 ... 1 MPa
Maximum flow rate in the phase (a)
300 Nl/min
Maximum flow rate in the phase (b)
see graphic
Fluid
50µ filtered, lubricated or non lubricated air


Materials
Flow rates



previous page