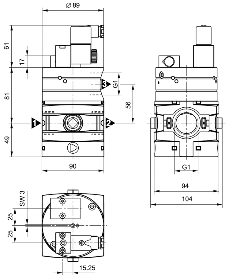
AVP 6N-01
Pneumatically or solenoid actuated 3/2 G1" valve
Slow-start valve integrated with quick exhaust valve
High exhaust flow rate
Vertical installation;
mounting bracket
on request (code STF 6N)
Order code
AVP 6N-01
Ports
G1"
Temperature range
max +50°C
Weight
1.5 kg
Working pressure
2 ... 10 bar
0.2 ... 1 MPa
Recommended flow rate
(p = 6 bar at 25 m/s)
5500 Nl/min
Maximum flow rate
(p = 6.3 bar; pressure drop = 1 bar)
12000 Nl/min
Flow characteristics
Materials
Body: aluminium
Seals: NBR
Internal parts: brass and stainless steel
External parts: reinforced polymer
The product is sold without
coil
and without mounting bracket, which are bought separately. The coil must be 30 mm.
previous page