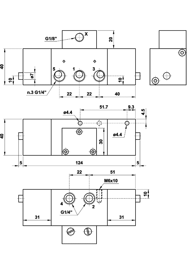
logo 10.035.4
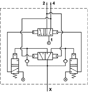
Pneumatically piloted flip-flop



flip-flop comando pneumatico



photo                         symbol



previous page