logo 10.027.4
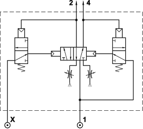
Pneumatic piloted oscillating valve G1/4" with NOT logic elements



osc 1/4 not com. pneumatico



photo                         symbol



previous page